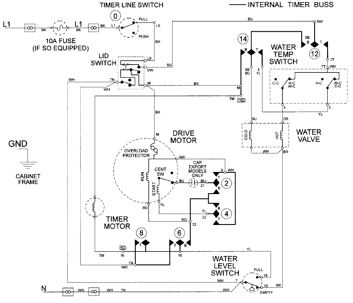
LAT7306AAE 08 – WIRING INFORMATIONadmin2025-04-26T09:18:29+00:00LAT7306AAE 08 – WIRING INFORMATION ProductsPositionProductNIMAY 15002089