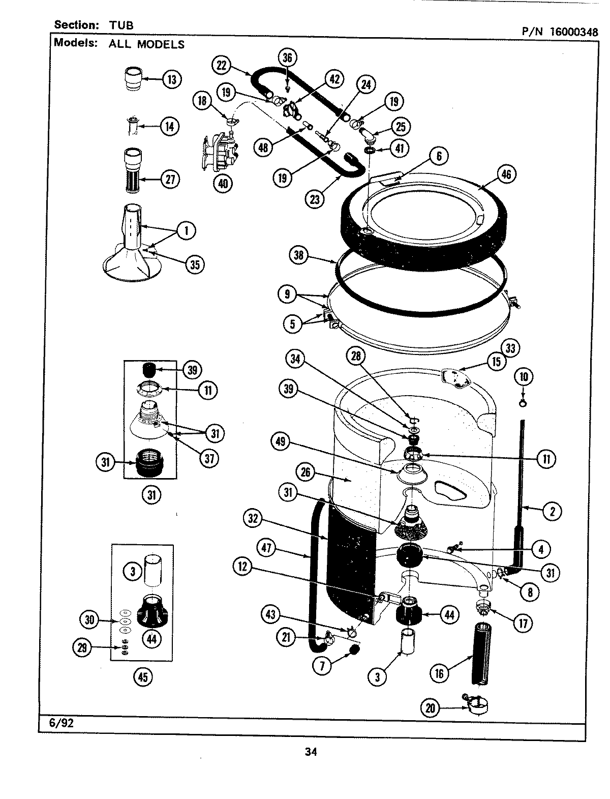
LAT7400AAL 07 – TUB