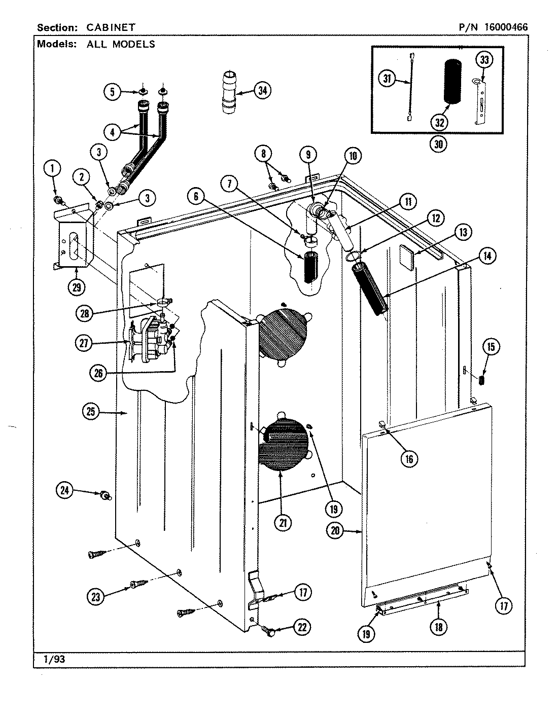
LAT7793ABL 02 – CABINET