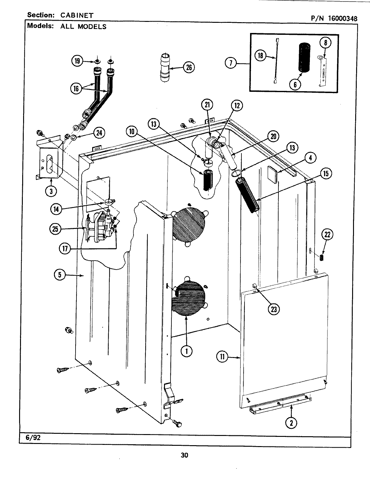
LAT7800AAL 02 – CABINET