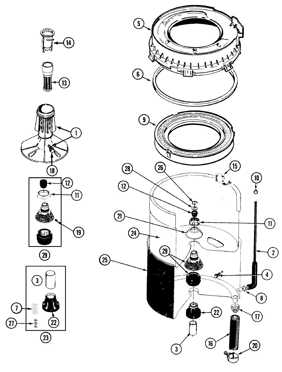
| 1 | MAY 207538 |
| 2 | MAY 22001036 |
| 3 | MAY 211130 |
| 4 | W10175939 Whirlpool Bolt Assembly |
| 4 | W10175938 Whirlpool Bolt |
| 5 | 22001299 Whirlpool Tub Cover and Gasket |
| 6 | MAY Y22001201 |
| 7 | MAY 211100 |
| 9 | MAY 22001142 |
| 10 | WP596669 Whirlpool Hose Clamp |
| 11 | WP6-2110472 Whirlpool Nut Clamp |
| 12 | WP6-0A57420 Whirlpool Agitator Seal |
| 13 | MAY 22001296 |
| 14 | MAY 22001294 |
| 15 | MAY 215980 |
| 16 | WPY212989 Whirlpool Outer Hose |
| 17 | WP285655 Whirlpool Hose Clamp |
| 18 | MAY 206478 |
| 19 | MAY 211618 |
| 21 | MAY 211210 |
| 22 | 6-2040130 Whirlpool Washer Tub Bearing Kit |
| 24 | MAY 22001140 |
| 25 | MAY 22001115 |
| 26 | MAY Y015667 |
| 27 | MAY Y054867 |
| 28 | WPY015666 Whirlpool Washer Retainer |
| 29 | MAY 204012 |