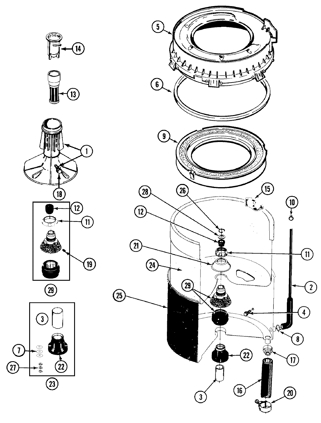
LAT8004AAM 07 – TUB