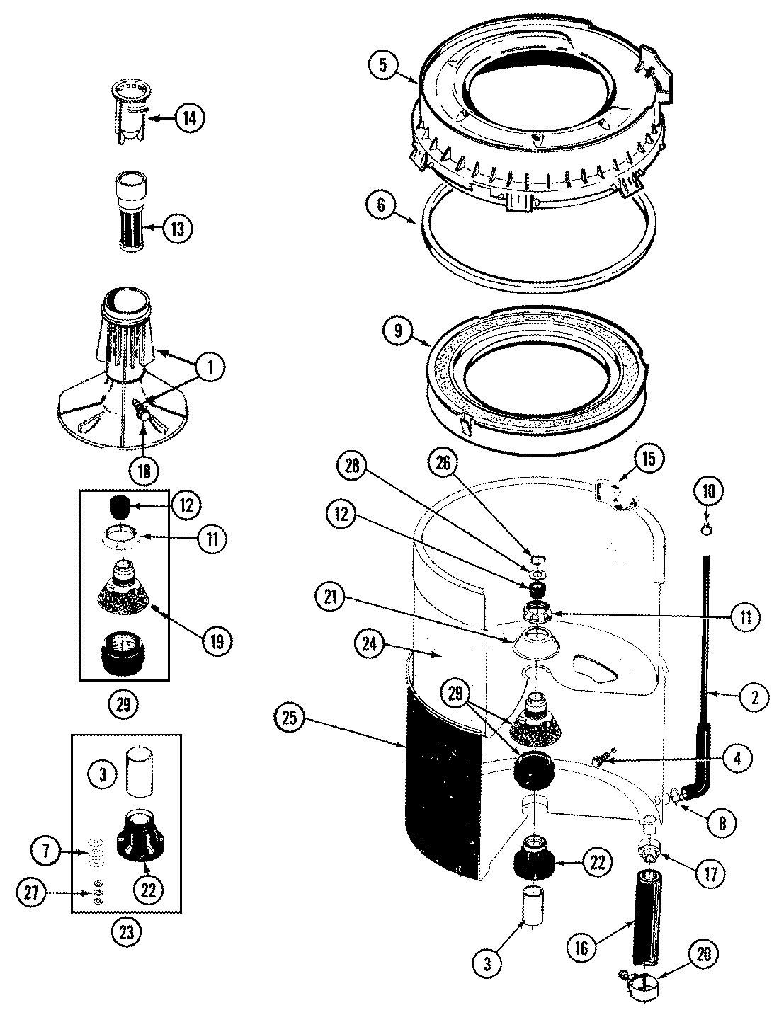
LAT8004ABE 07 – TUB