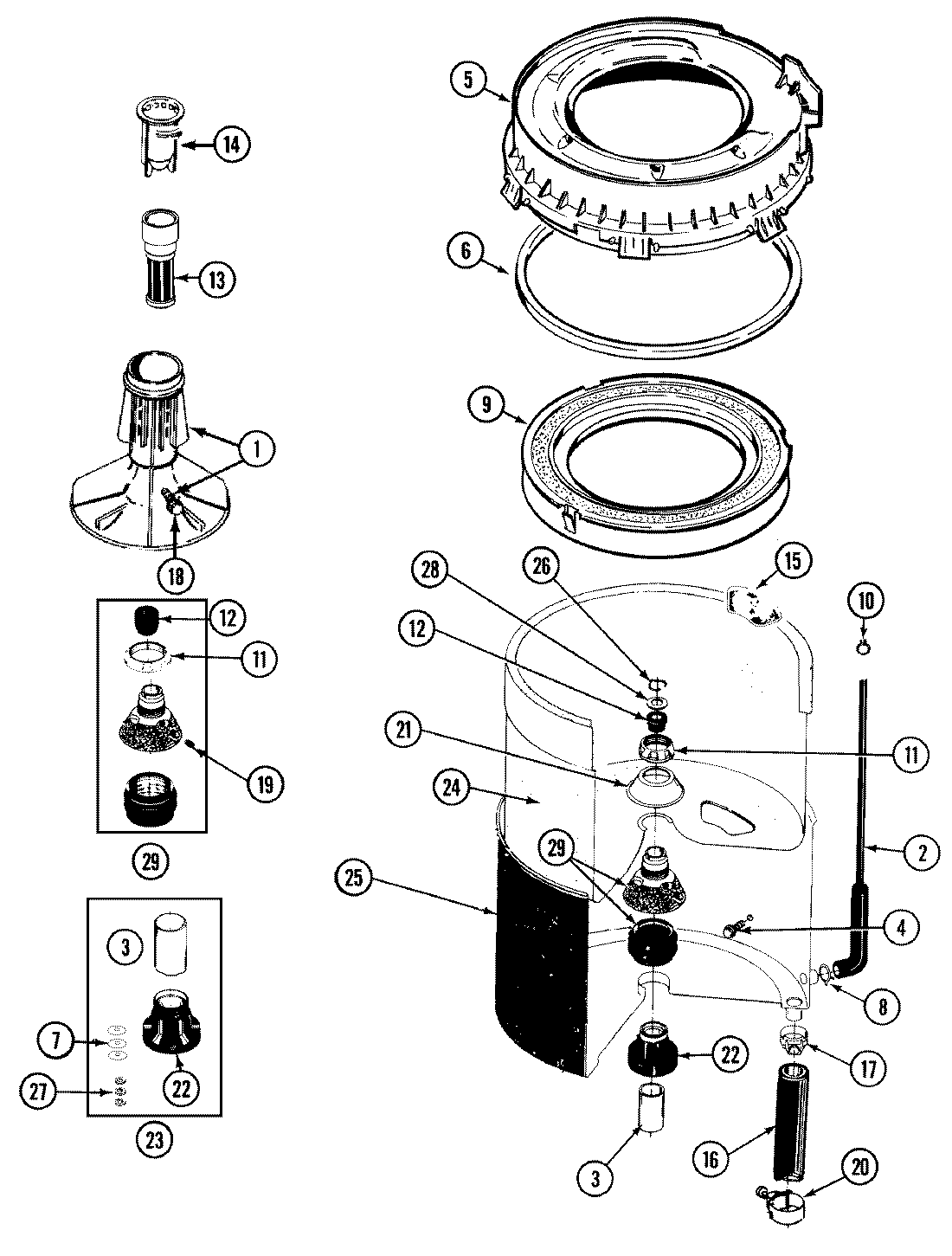
LAT8024AAL 07 – TUB