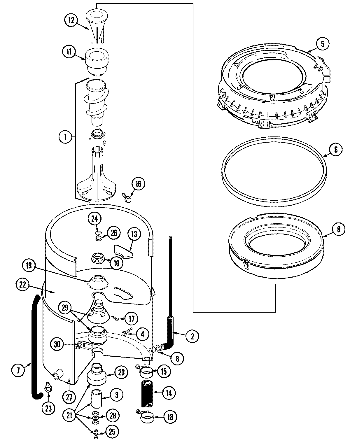
LAT8026AAM 07 – TUB