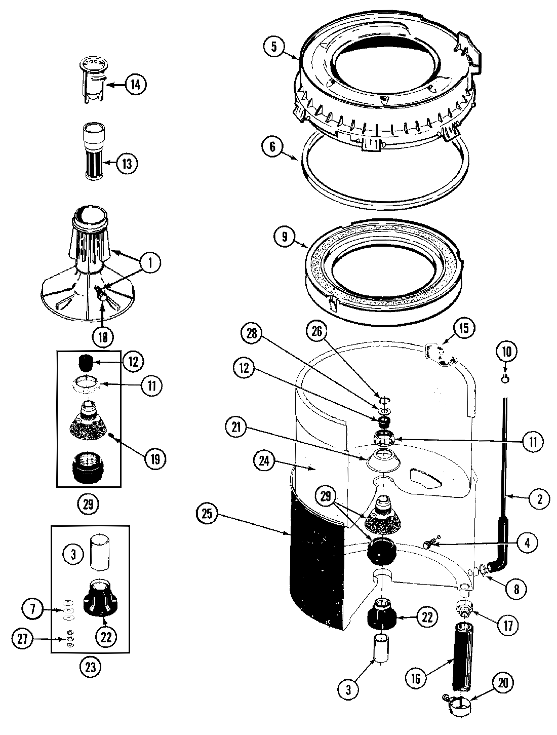
LAT8034AAL 07 – TUB