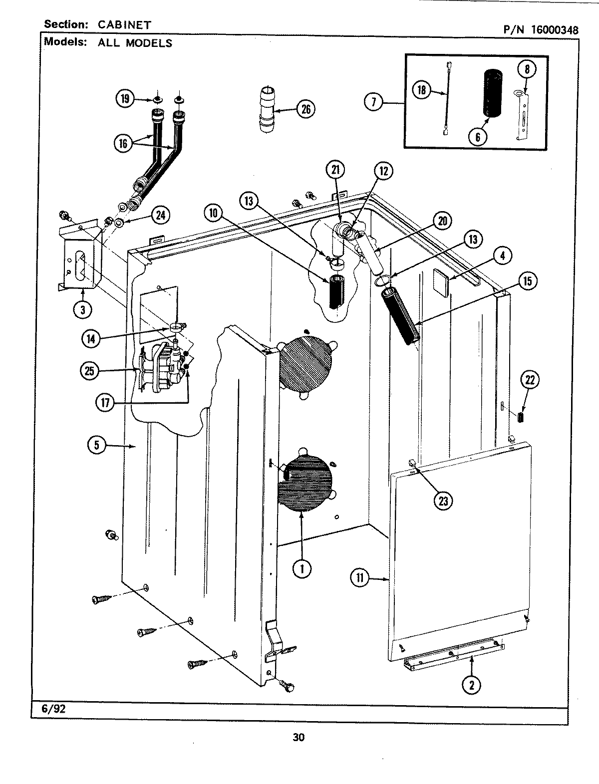
LAT8200AAL 02 – CABINET