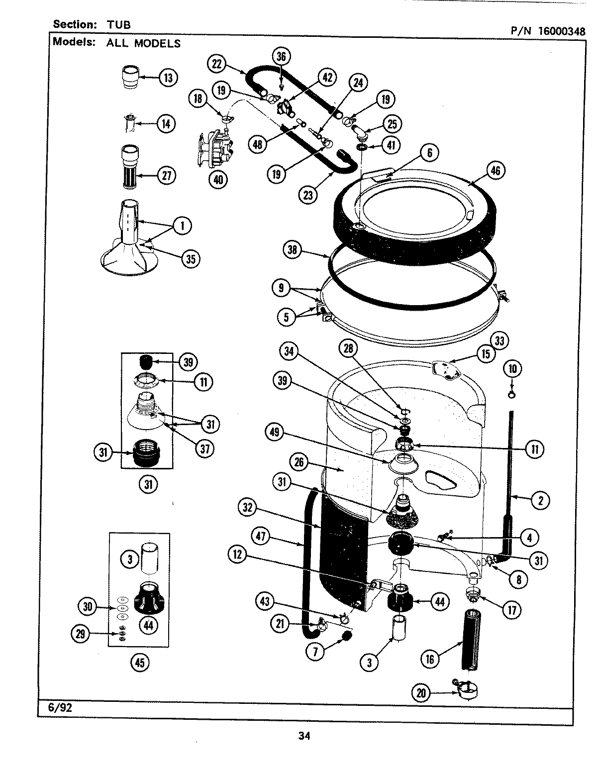
LAT8200AAL 07 – TUB