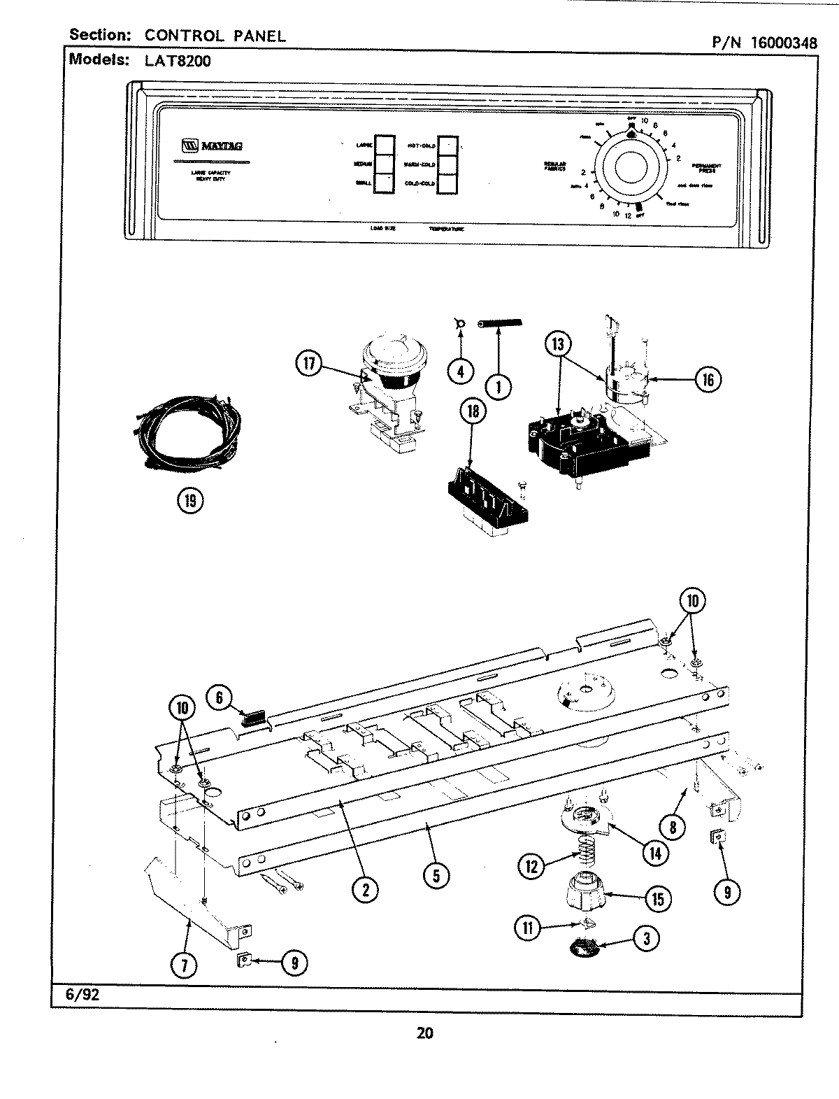
LAT8200ABL 04 – CONTROL PANELadmin2025-04-26T09:17:27+00:00LAT8200ABL 04 – CONTROL PANEL ProductsPositionProduct1MAY 2129422MAY 2148183MAY 2158214WP596669 Whirlpool Hose Clamp5MAY 2076065MAY 2109326MAY 2148977MAY 2072158MAY 2072169MAY 21489410MAY 21487211MAY 21160512WP211065 Whirlpool Timer Spring13WP3400014 Whirlpool Dishwasher Screw13MAY 20737914MAY 21582715MAY 21582816MAY 20503317MAY 20736317WPW10139210 Whirlpool Screw18MAY 20736818WP67006908 Whirlpool Refrigerator Screw19MAY 20738320MAY 215781