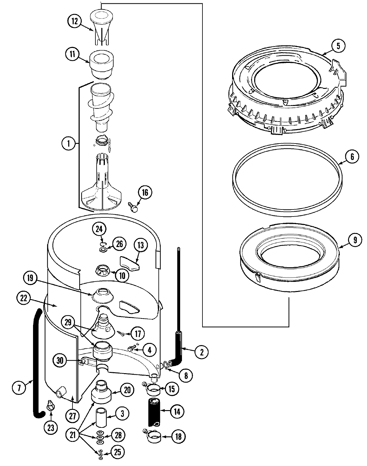
LAT8226AAE 07 – TUB