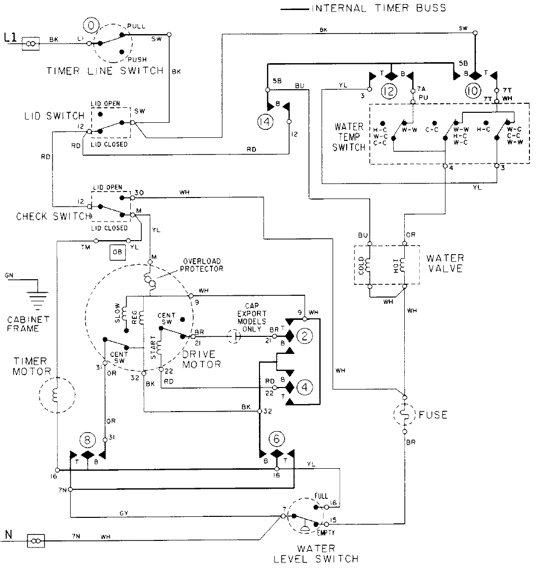
LAT8406AAE 08 – WIRING INFORMATIONadmin2025-04-26T09:19:15+00:00LAT8406AAE 08 – WIRING INFORMATION ProductsPositionProductNIMAY 15001923NIMAY 15002095