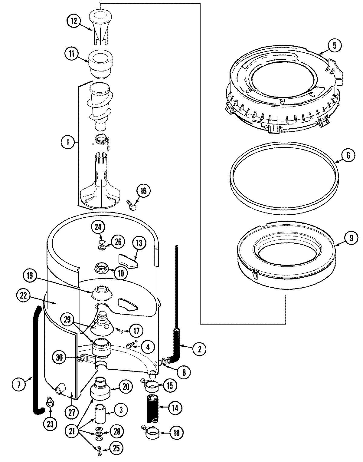
LAT8406AAM 07 – TUB