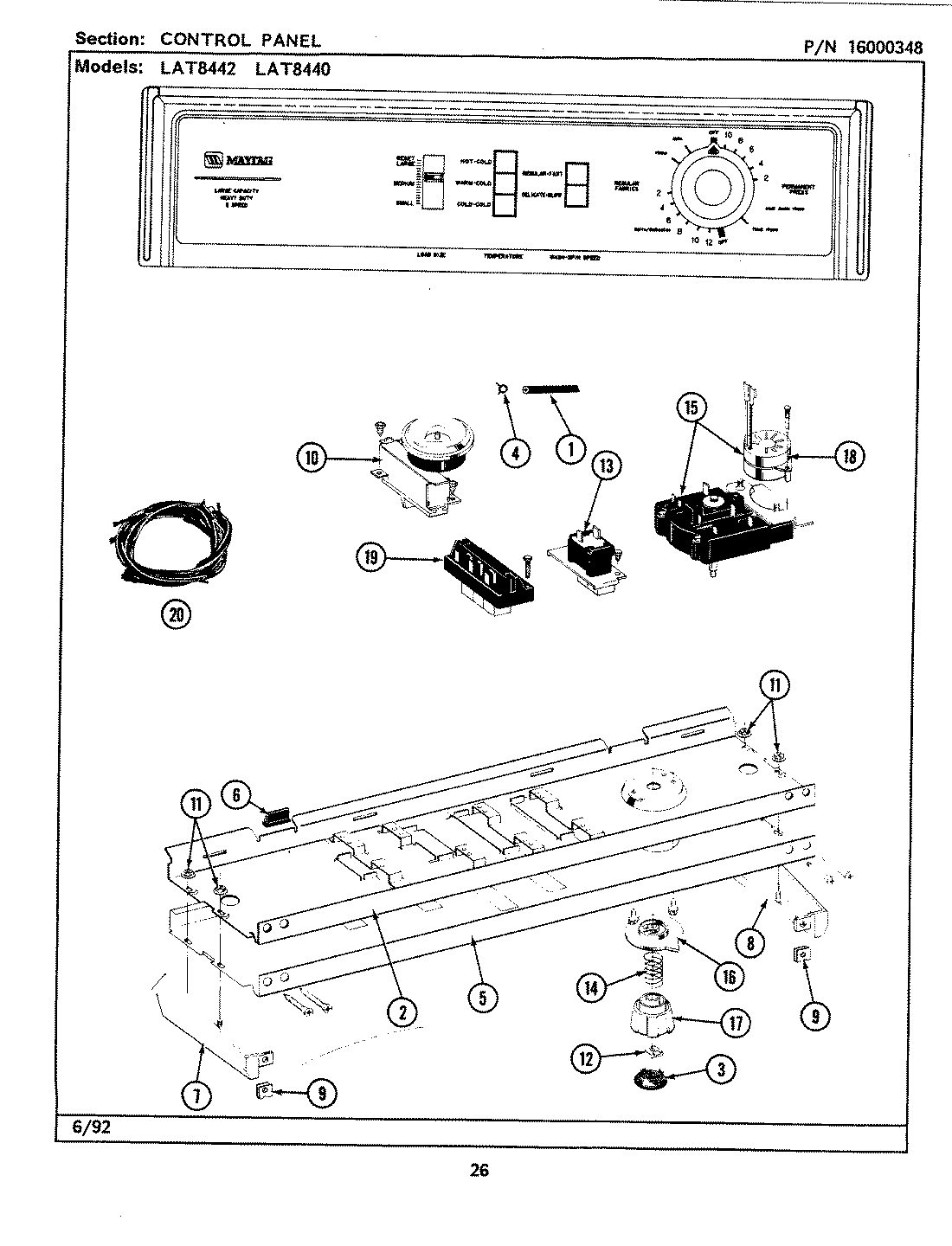
LAT8420AAW 04 – CONTROL PANELadmin2025-04-26T09:18:03+00:00LAT8420AAW 04 – CONTROL PANEL ProductsPositionProduct1MAY 2129422MAY 2148093MAY 2158214WP596669 Whirlpool Hose Clamp5MAY 2109325MAY 2074046MAY 2148977MAY 2072158MAY 2072169MAY 21489410WPW10139210 Whirlpool Screw10MAY 20736211MAY 21487212MAY 21160513MAY 20737014WP211065 Whirlpool Timer Spring15MAY 20737415WP3400014 Whirlpool Dishwasher Screw16MAY 21582717MAY 21582818MAY 20503319MAY 20736819WP67006908 Whirlpool Refrigerator Screw20MAY 207384