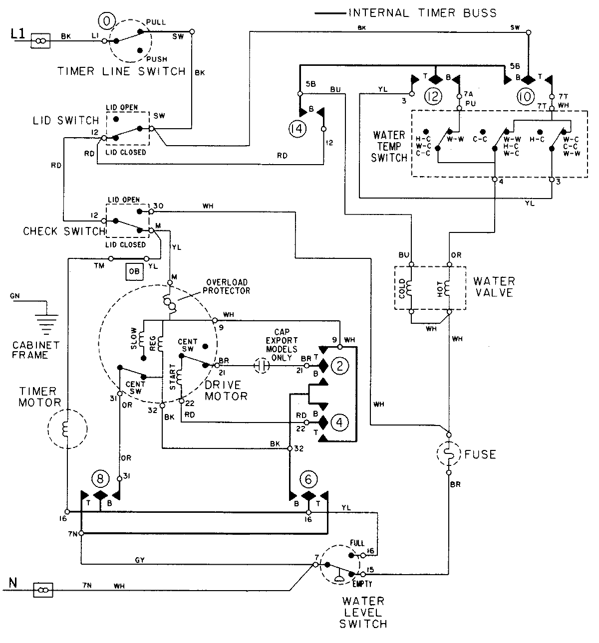
LAT8426AAM 08 – WIRING INFORMATIONadmin2025-04-26T09:17:36+00:00LAT8426AAM 08 – WIRING INFORMATION ProductsPositionProductNIMAY 15001941NIMAY 15002094