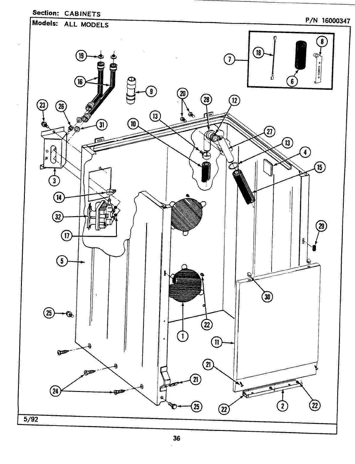
LAT8500AAL 02 – CABINET