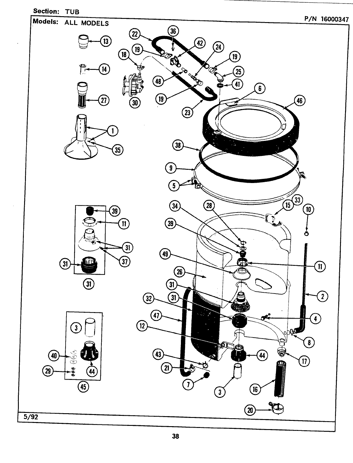
LAT8500ABL 07 – TUB