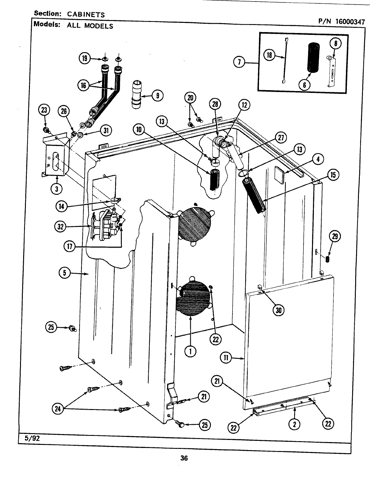
LAT8520BAL 02 – CABINET