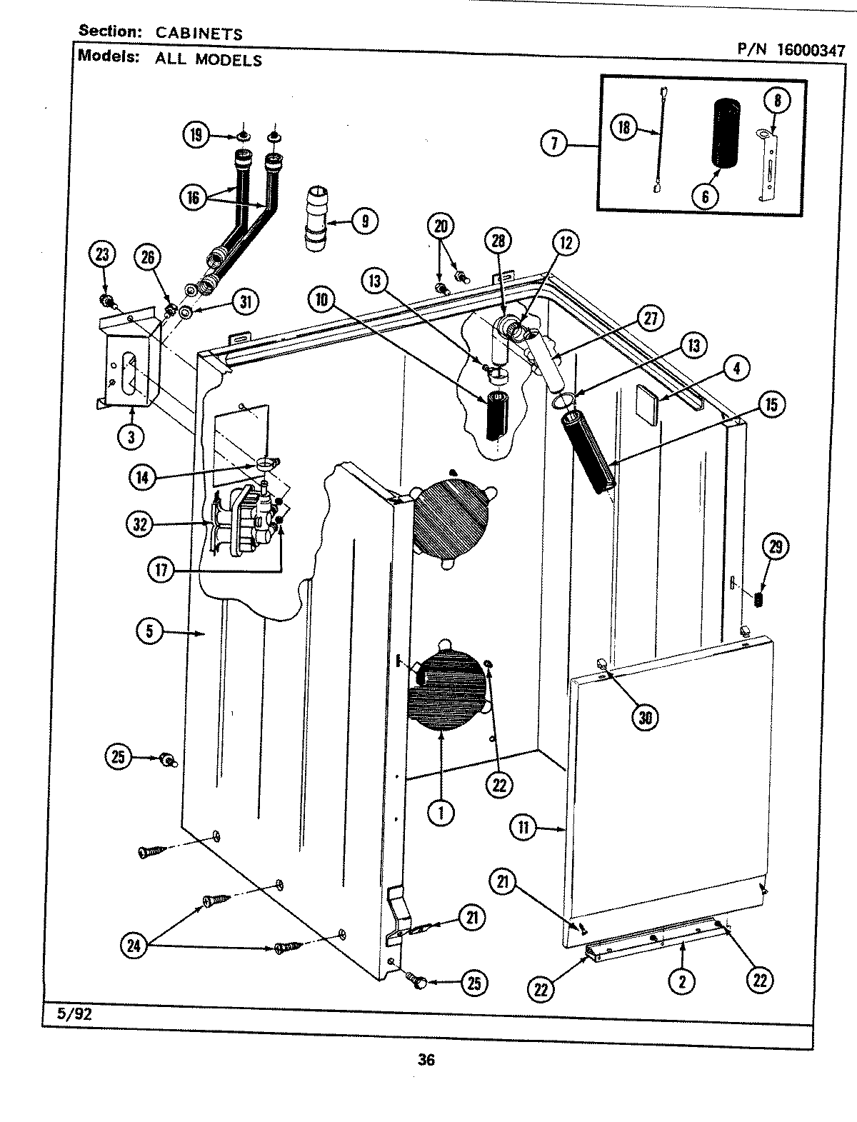
LAT8520BAW 02 – CABINET