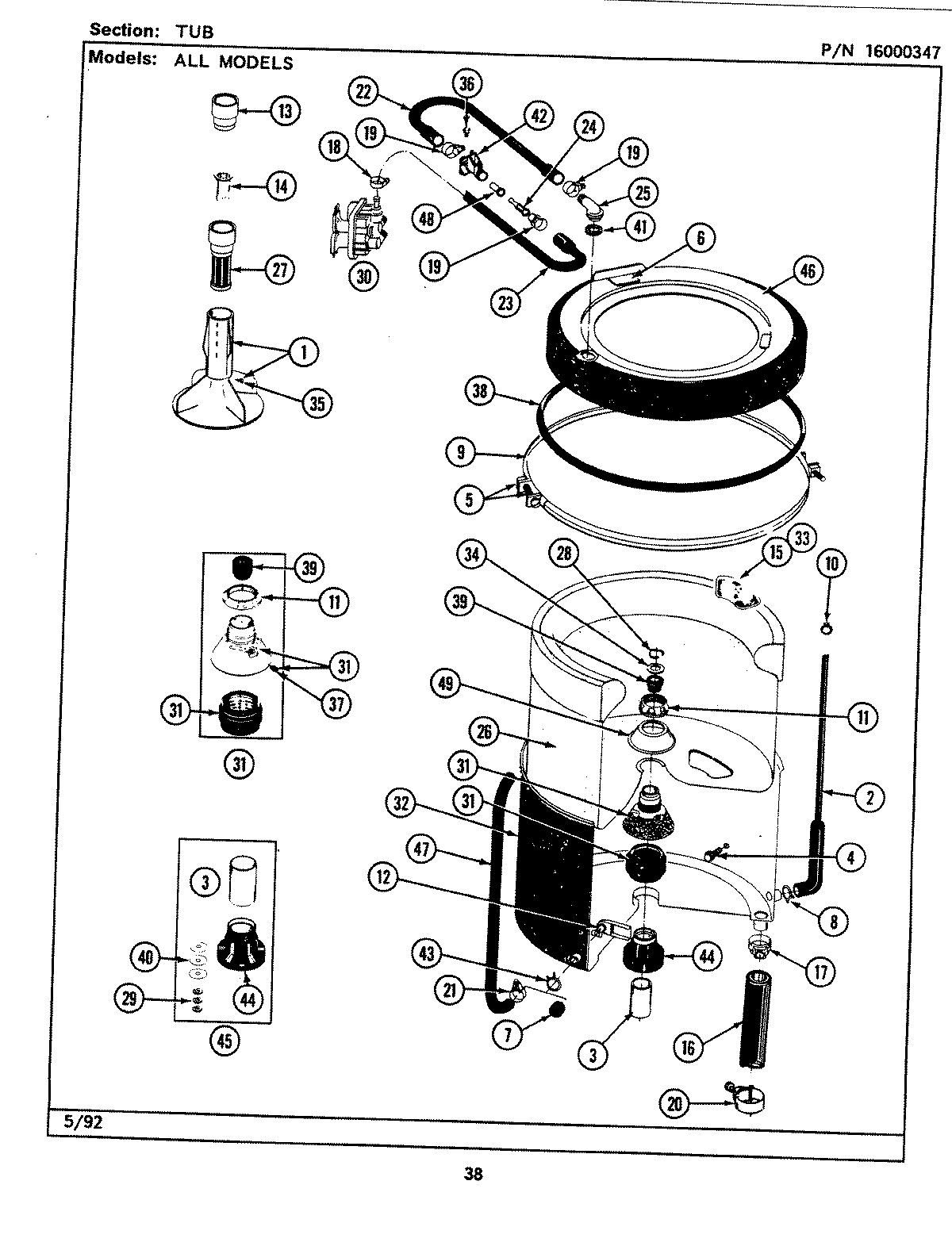
LAT8600AAL 07 – TUB