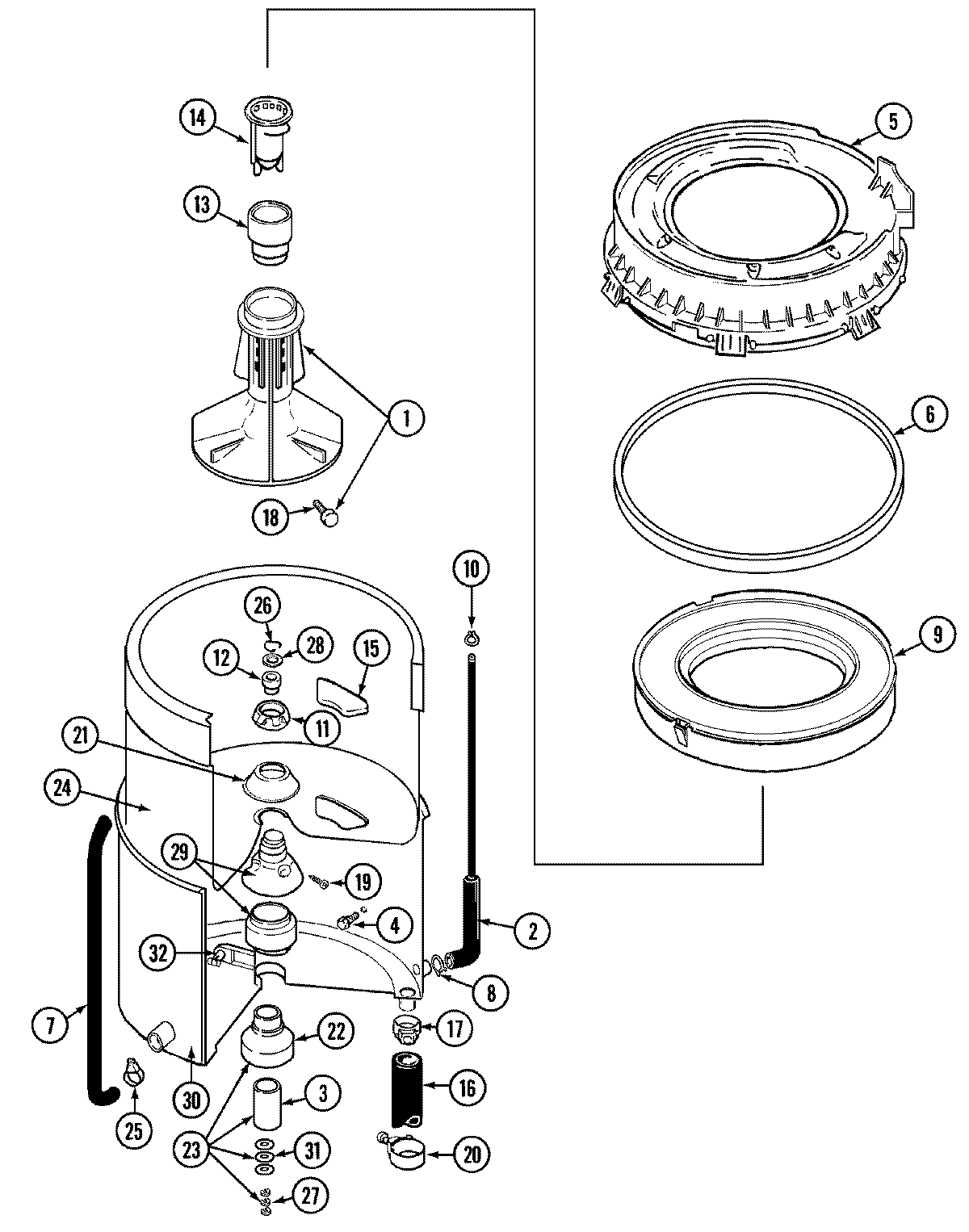
LAT8614AAE 07 – TUB