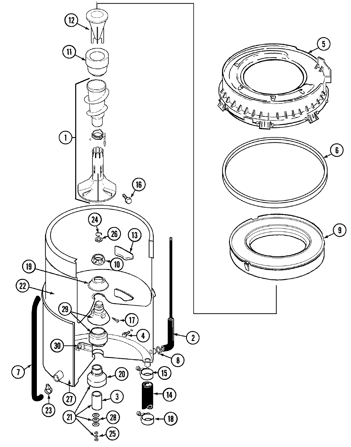
LAT8616AAE 07 – TUB