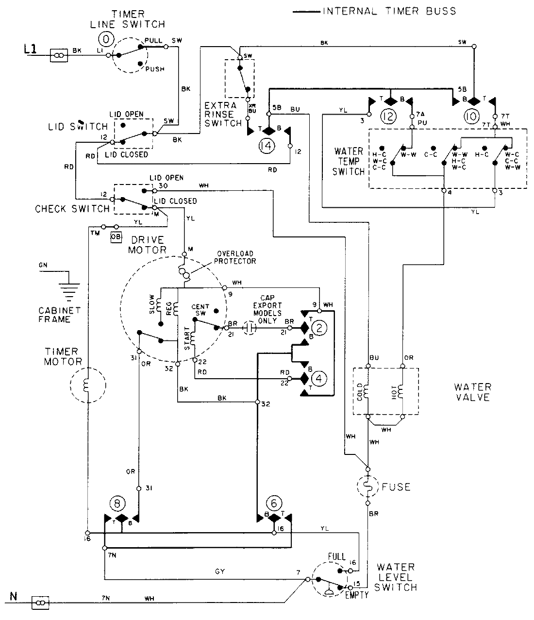
LAT8616AAM 08 – WIRING INFORMATIONadmin2025-04-26T09:19:52+00:00LAT8616AAM 08 – WIRING INFORMATION ProductsPositionProductNIMAY 15001926NIMAY 15002100