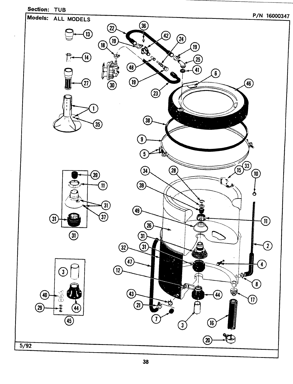
LAT8640AAL 07 – TUB