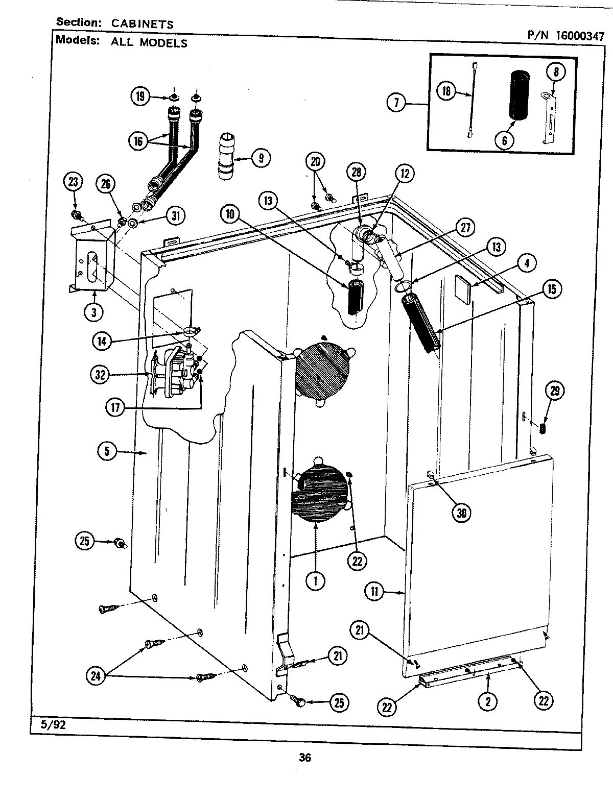
LAT8640AAW 02 – CABINET