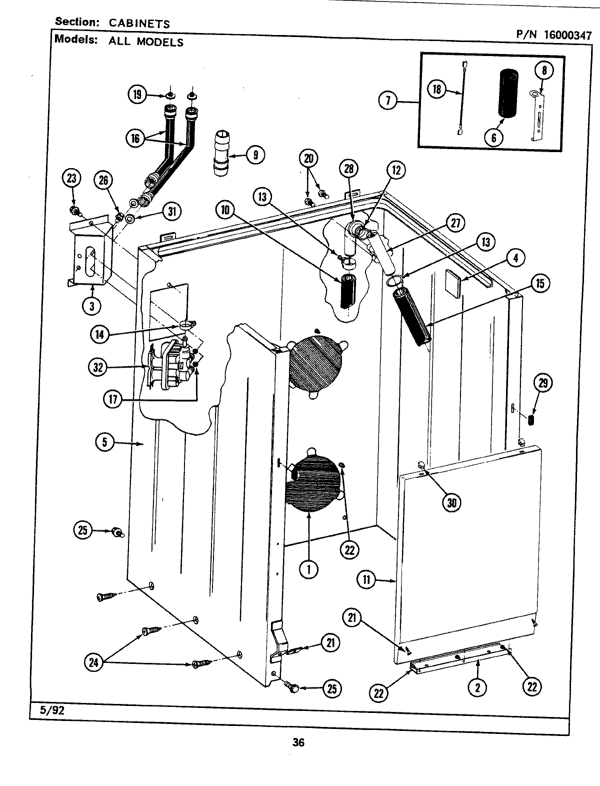
LAT8640BAL 02 – CABINET