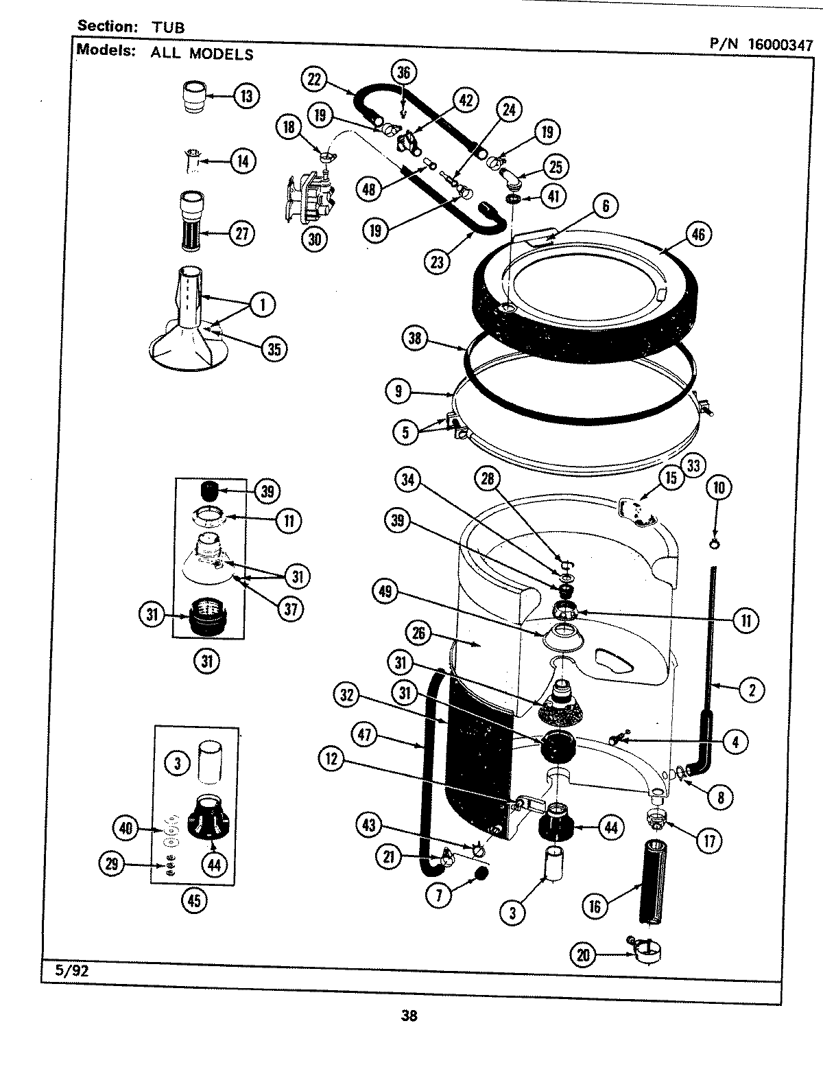
LAT8640BBL 07 – TUB