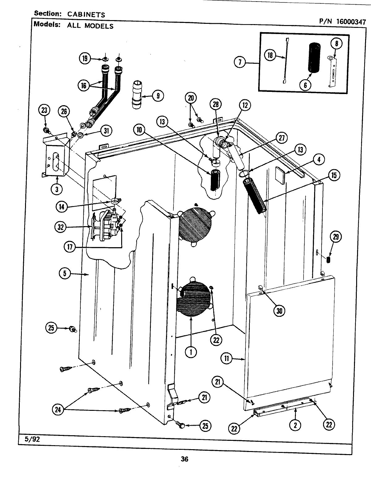
LAT8700AAL 02 – CABINET