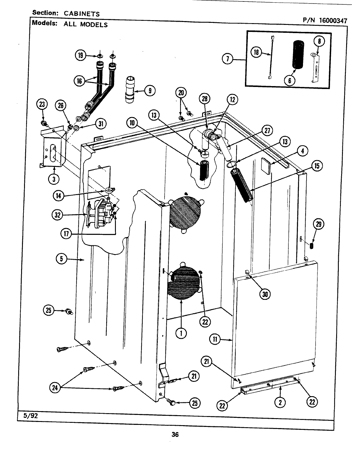
LAT8700ABL 02 – CABINET