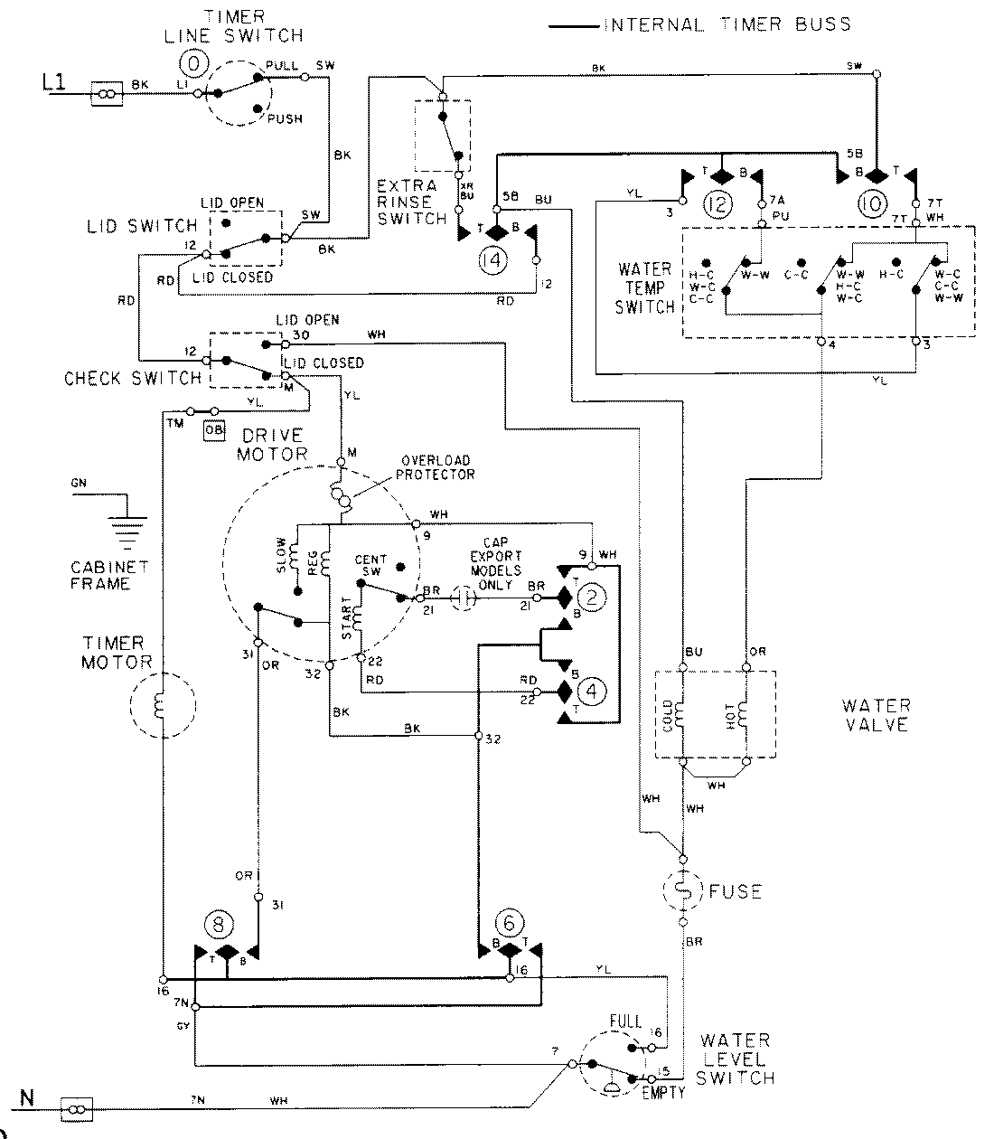
LAT8706AAE 08 – WIRING INFORMATIONadmin2025-04-26T09:20:27+00:00LAT8706AAE 08 – WIRING INFORMATION ProductsPositionProductNIMAY 15001925NIMAY 15002099