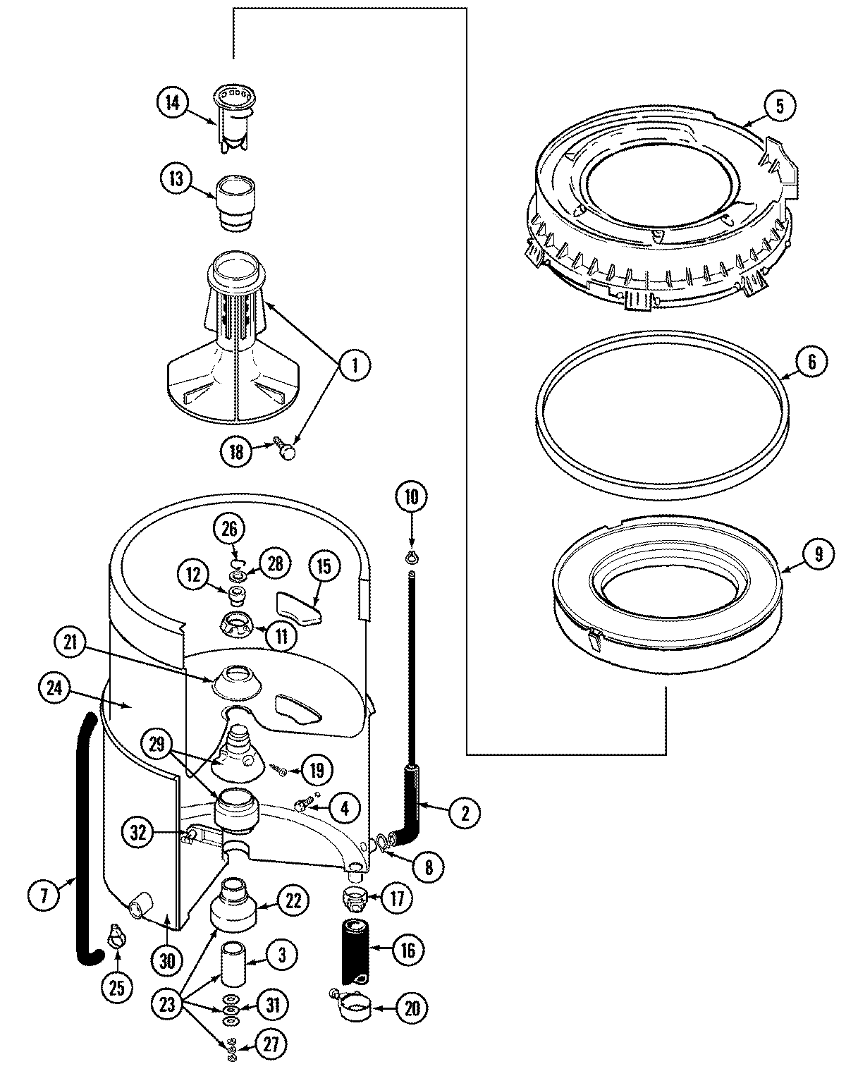
LAT8714AAL 07 – TUB