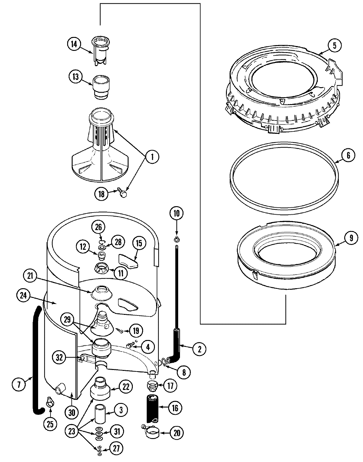
LAT8824AAL 07 – TUB