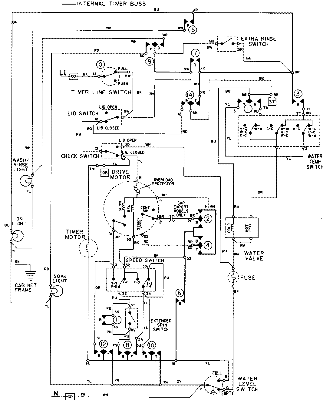
LAT8826AAM 08 – WIRING INFORMATIONadmin2025-04-26T09:20:48+00:00LAT8826AAM 08 – WIRING INFORMATION ProductsPositionProductNIMAY 15001942NIMAY 15002102