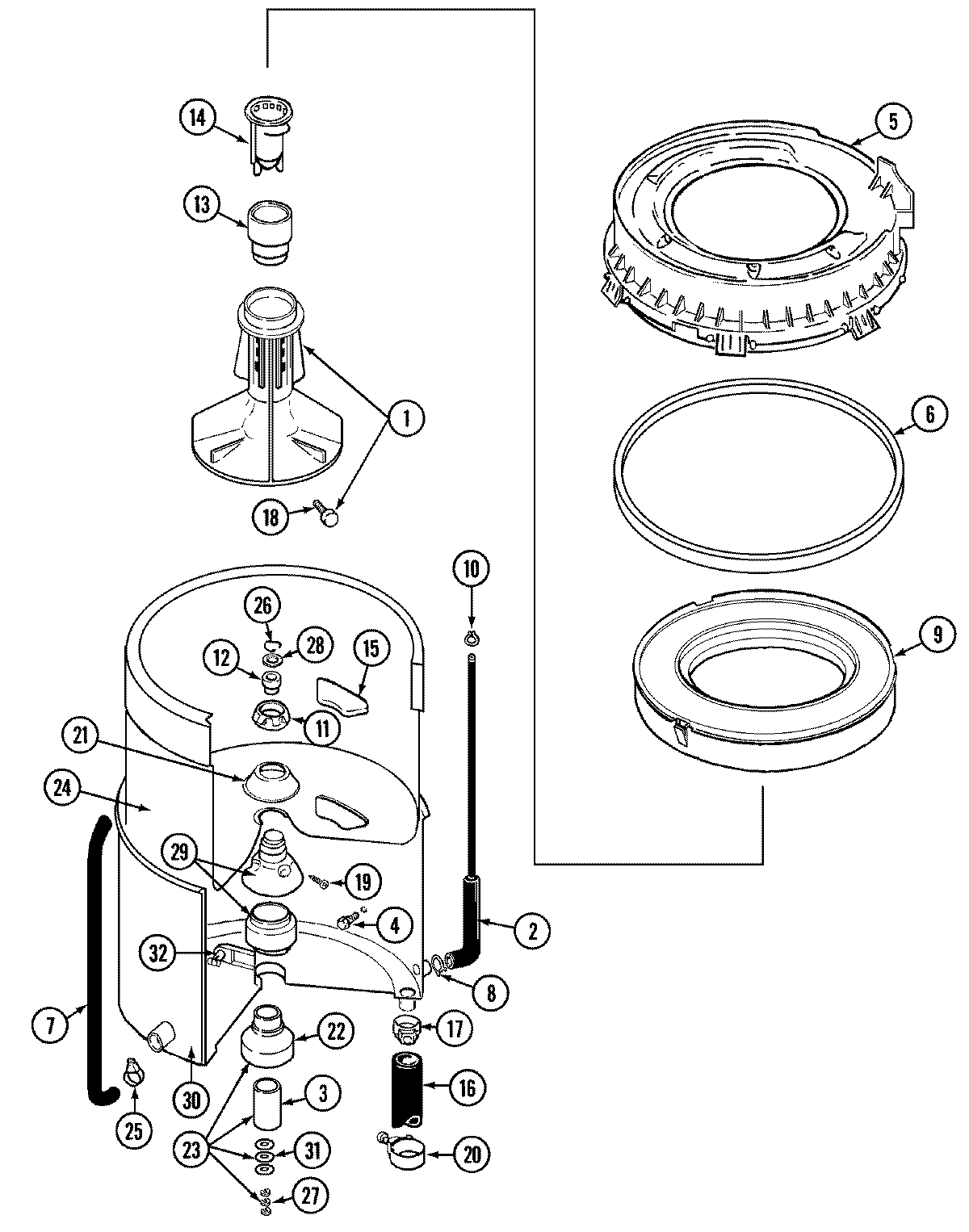
LAT8904AAE 07 – TUB