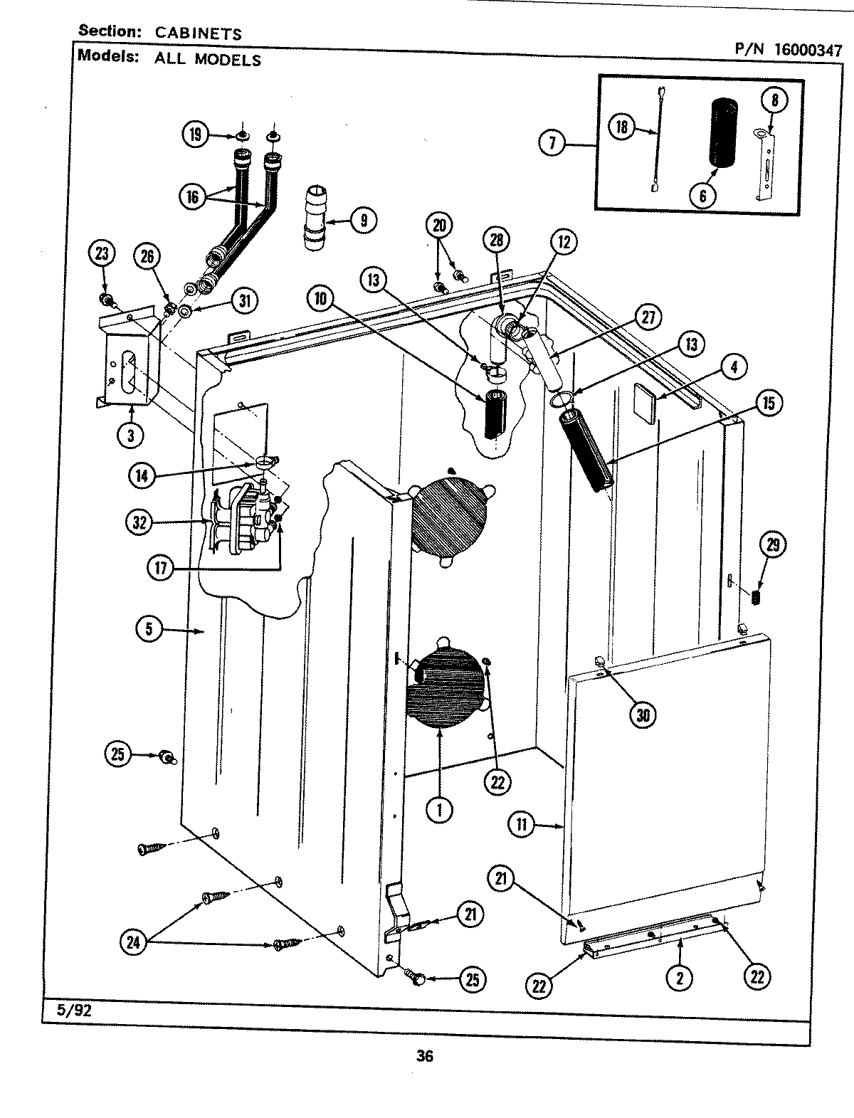
LAT9200AAW 02 – CABINET