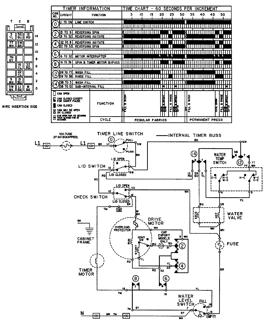
LAT9206AAE 08 – WIRING INFORMATIONadmin2025-04-26T09:20:12+00:00LAT9206AAE 08 – WIRING INFORMATION ProductsPositionProductNIMAY 15001994NIMAY 15002085