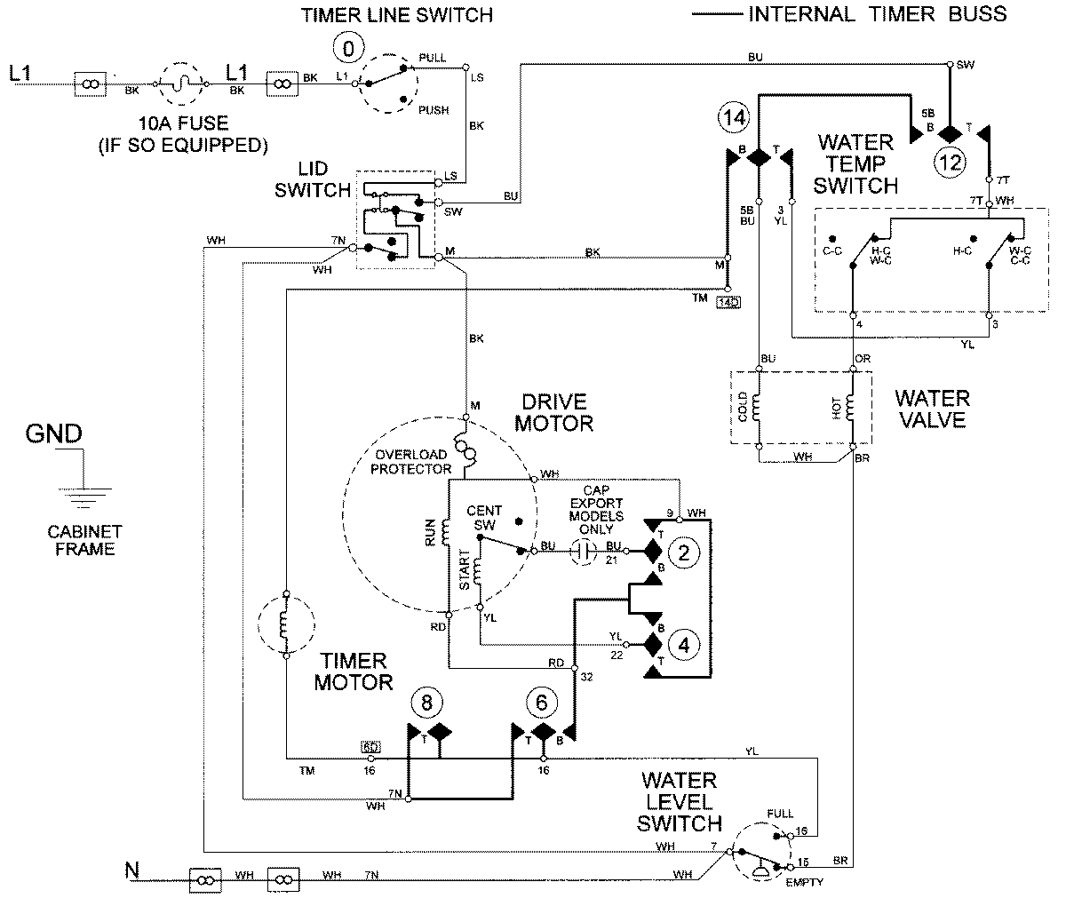
LAT9206BBM 08 – WIRING INFORMATIONadmin2025-04-26T09:20:34+00:00LAT9206BBM 08 – WIRING INFORMATION ProductsPositionProductNIMAY 15002089