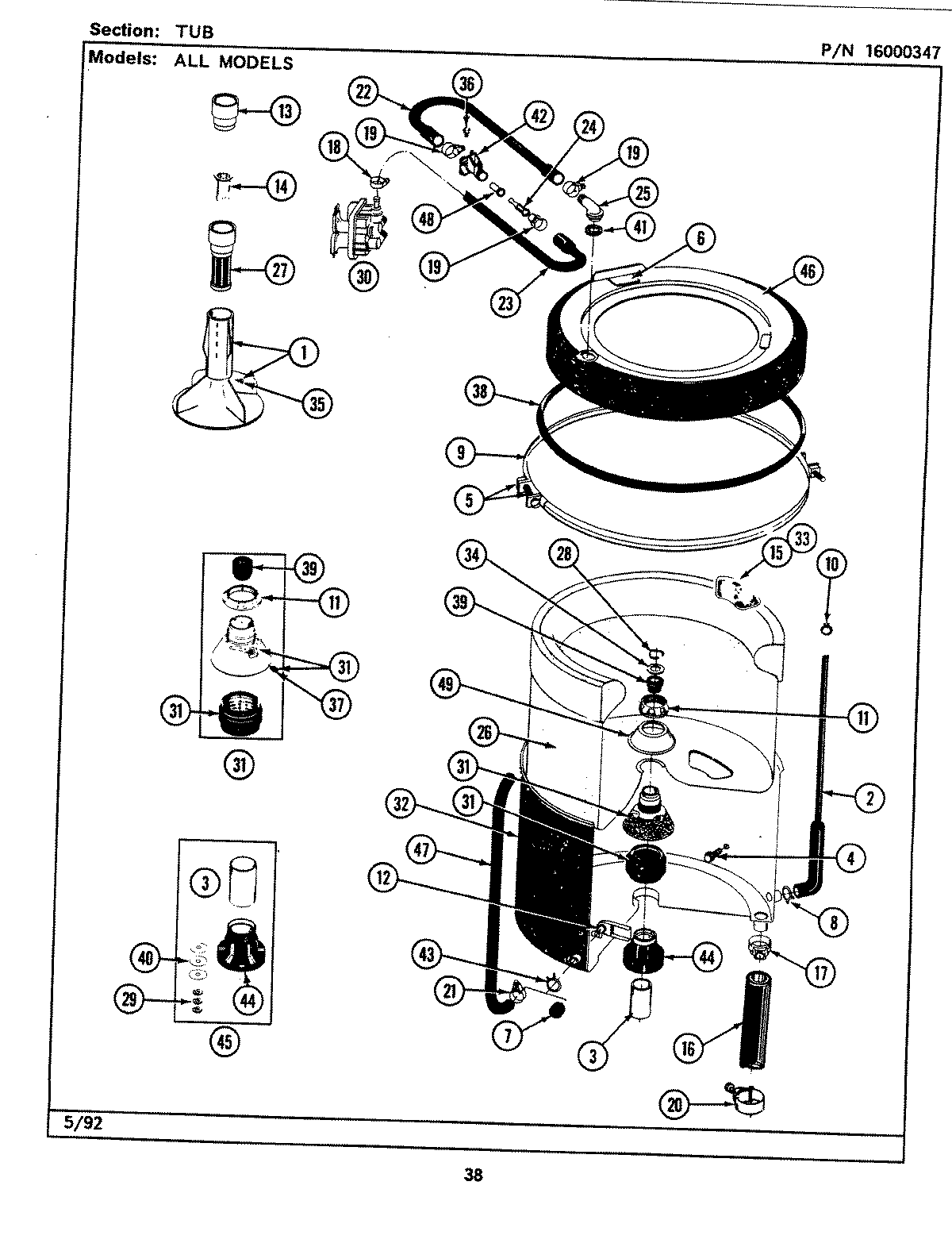
LAT9400AAL 08 – TUB