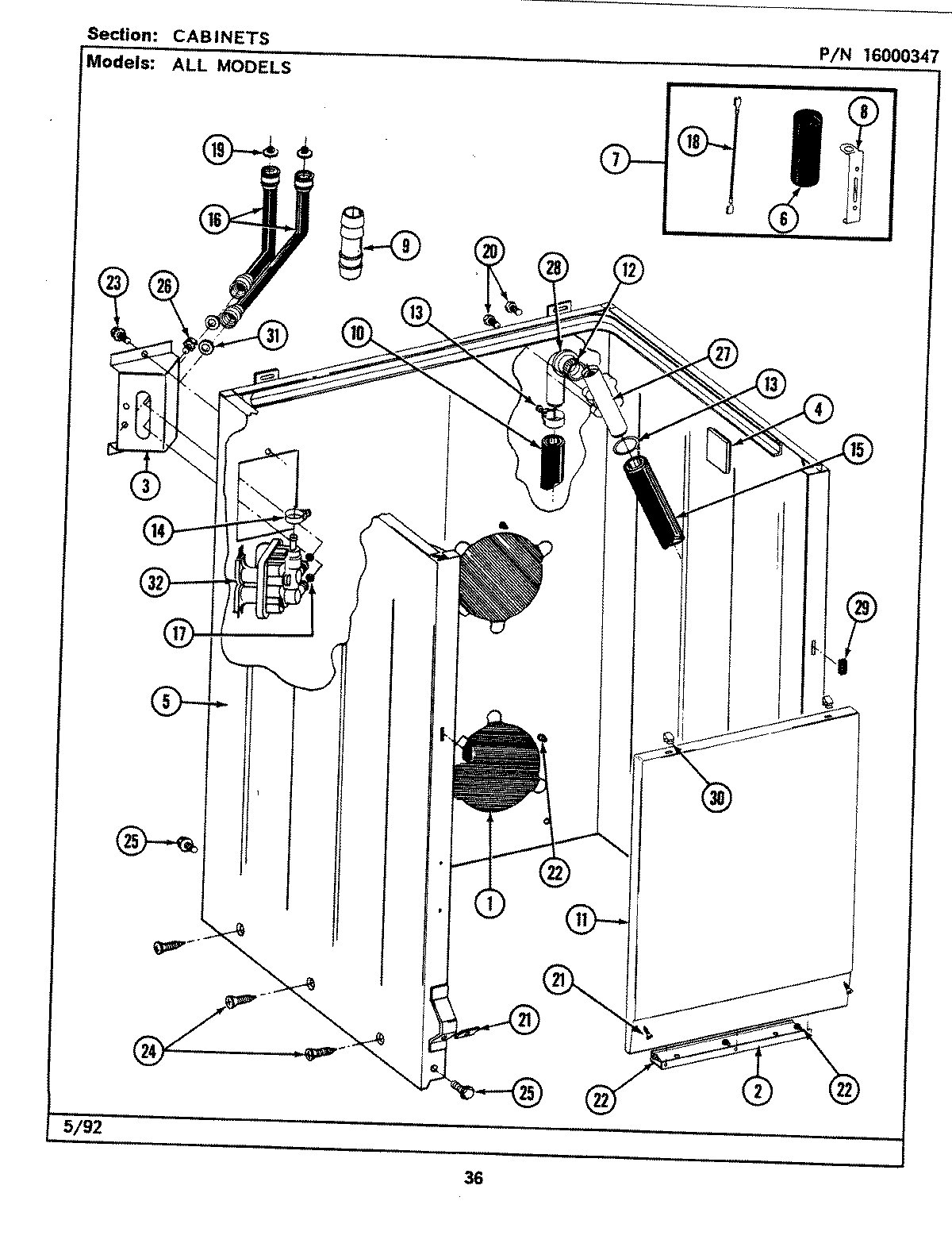
LAT9400ABW 02 – CABINET