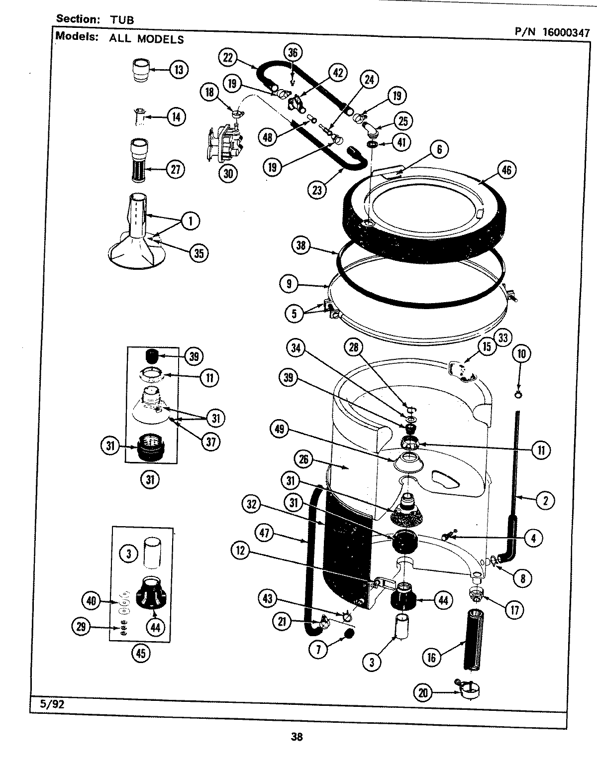
LAT9400ABW 08 – TUB