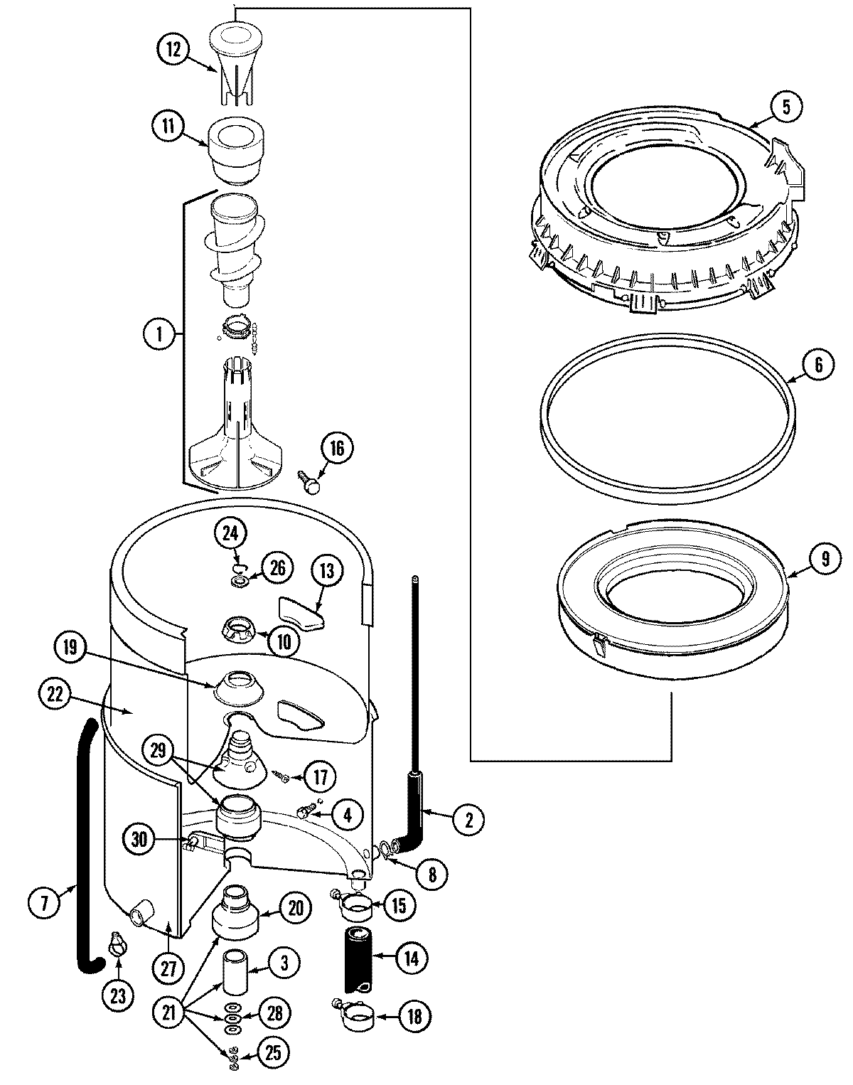
LAT9416AAE 07 – TUB (9416)admin2025-04-26T09:21:00+00:00LAT9416AAE 07 – TUB (9416) ProductsPositionProduct122001821 Whirlpool Agitator2MAY 220010363MAY 2111304W10175938 Whirlpool Bolt4W10175939 Whirlpool Bolt Assembly522001299 Whirlpool Tub Cover and Gasket6MAY Y220012017WP22001320 Whirlpool Bleach Dispensing Tube8WP285655 Whirlpool Hose Clamp9MAY 2200114210WP6-2110472 Whirlpool Nut Clamp11WP21001905 Whirlpool Dispenser13MAY 20721914WP213045 Whirlpool Dishwasher Tub to Pump Hose16MAY 220018191722001423 Whirlpool Screw Set Assembly19MAY 211210206-2040130 Whirlpool Washer Tub Bearing Kit22MAY 2200113923WP489503 Whirlpool Refrigerator Clamp24MAY Y01566725MAY Y05486726WPY015666 Whirlpool Washer Retainer27MAY 2200111428MAY 21110029MAY 2200164830MAY 214434