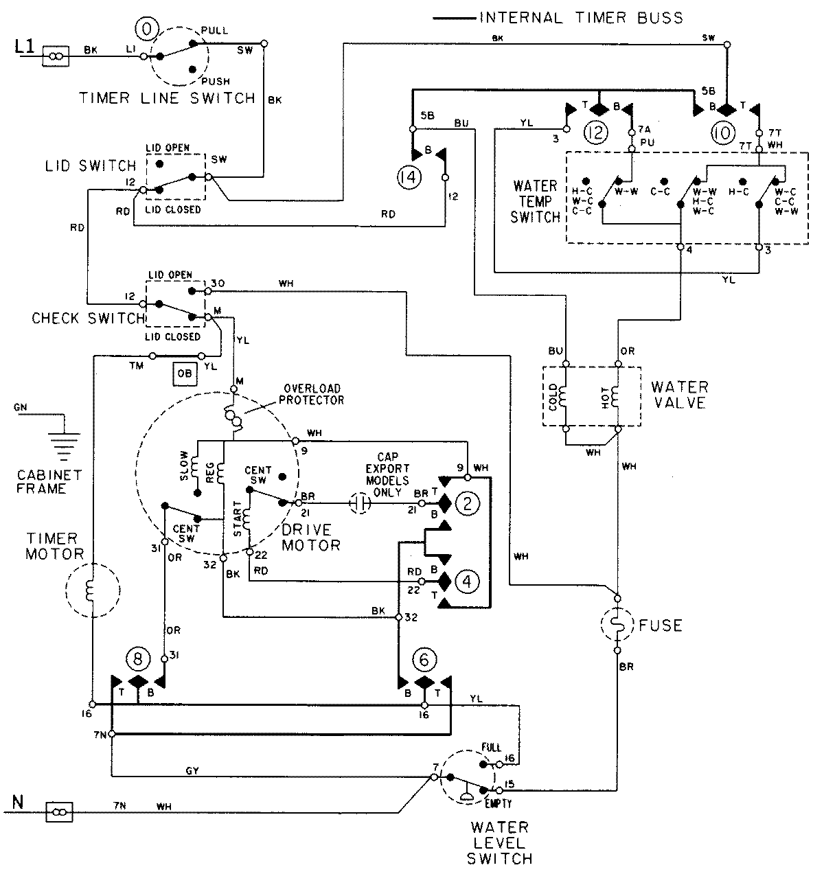
LAT9416AAE 08 – WIRING INFORMATIONadmin2025-04-26T09:21:24+00:00LAT9416AAE 08 – WIRING INFORMATION ProductsPositionProductNIMAY 15001941NIMAY 15002094