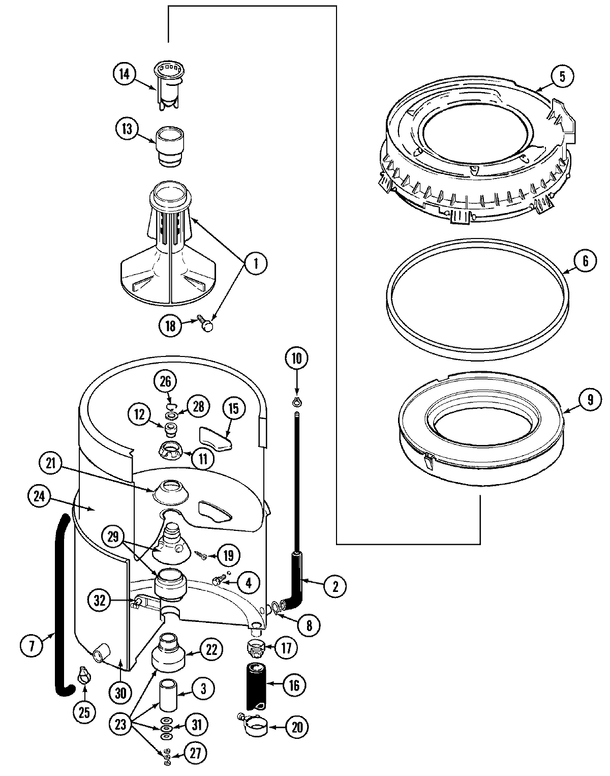
LAT9605AAE 07 – TUB