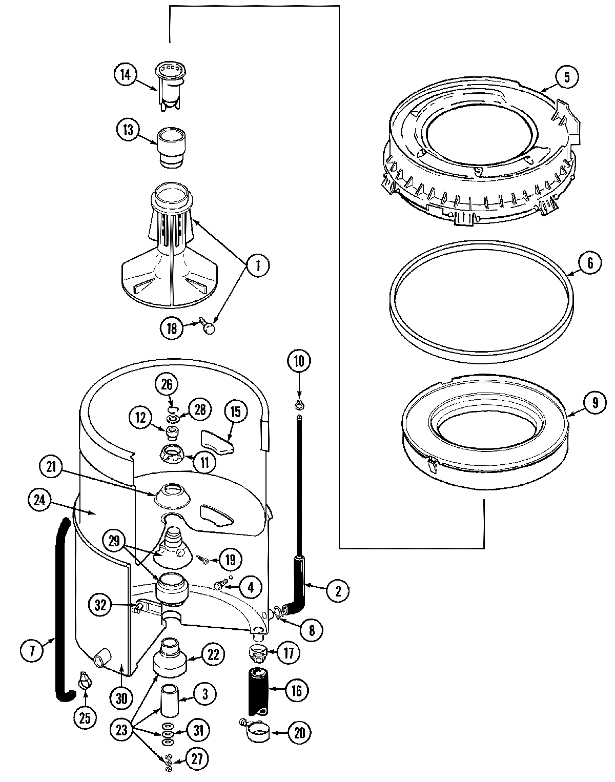
LAT9615AAE 07 – TUB