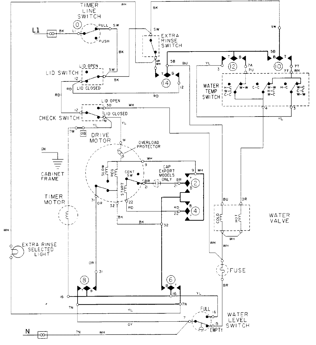
LAT9616AAM 08 – WIRING INFORMATIONadmin2025-04-26T09:24:55+00:00LAT9616AAM 08 – WIRING INFORMATION ProductsPositionProductNIMAY 15001929NIMAY 15002105