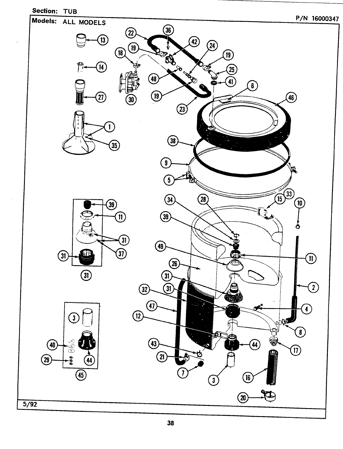
LAT9700AAL 08 – TUB