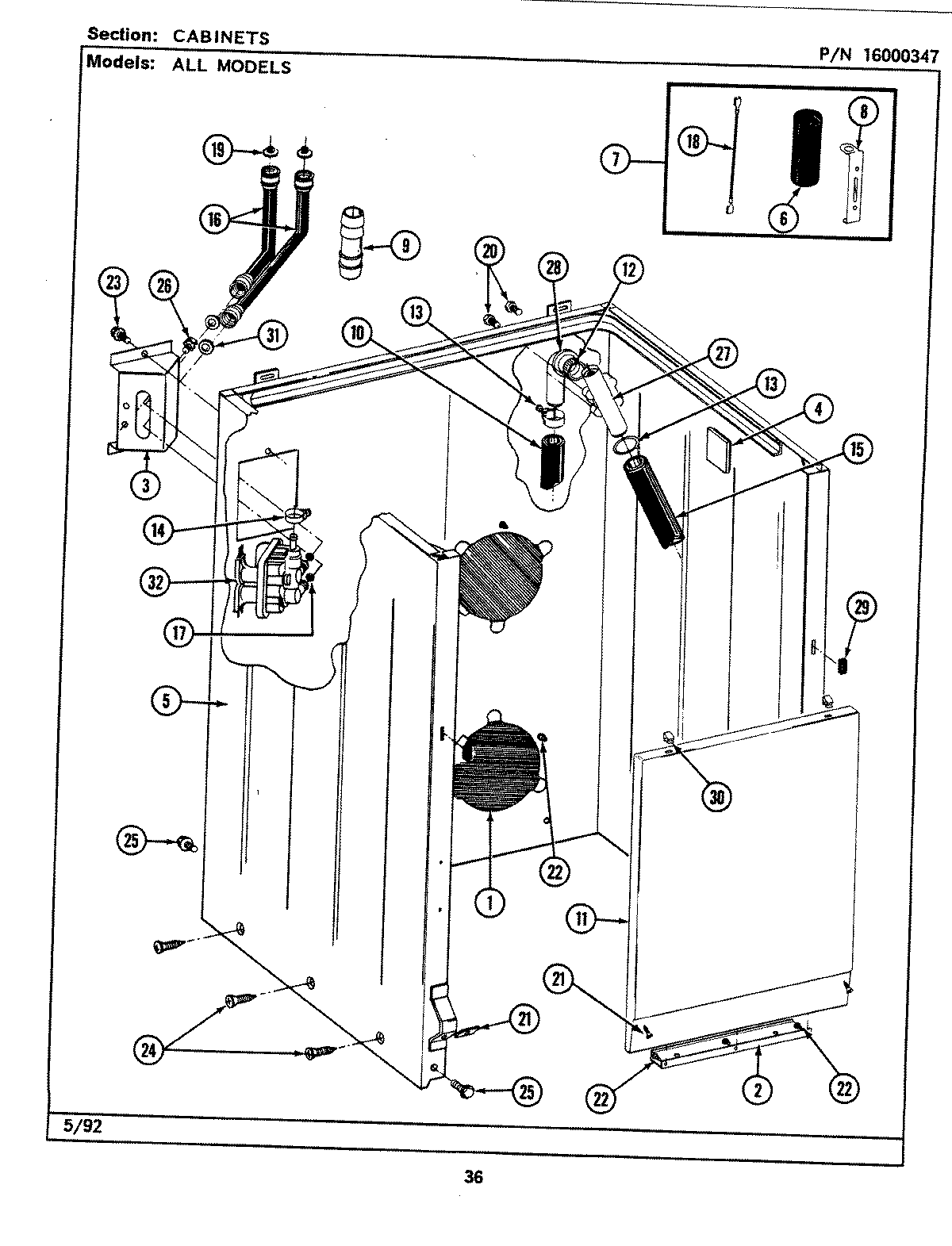
LAT9700AAW 02 – CABINET